Công cụ tính toán ứng suất và chuyển vị của dầm thẳng dài liên tục
【cách thức sử dụng công cụ】
Step1:Lựa chọn loại thanh dầm
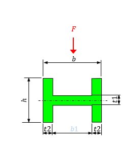
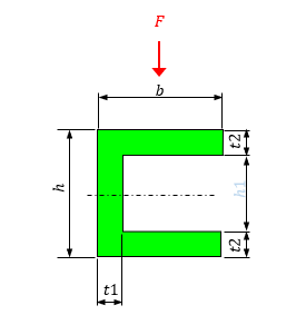
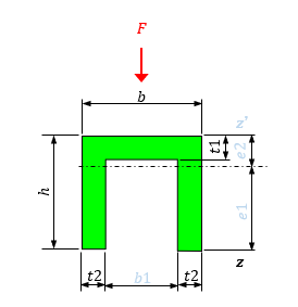
Step2:Lựa chọn kiểu mặt cắt ngang thanh dầm
Step3:Lựa chọn loại vật liệu
Step4:Nhập các giá trị cần thiết
Khi thực hiện tính toán, kết quả tính toán xuất ra là độ biến dạng của dầm(mm), ứng suất(Mpa), trọng lượng (kgf)。
Step1:Lựa chọn loại thanh dầm
Step2:Lựa chọn kiểu mặt cắt ngang thanh dầm
Step3:Lựa chọn loại vật liệu
Step4:Nhập các giá trị cần thiết
Khi thực hiện tính toán, kết quả tính toán xuất ra là độ biến dạng của dầm(mm), ứng suất(Mpa), trọng lượng (kgf)。
【Step1】Lựa chọn phương thức ràng buộc cho dầm。
|
|
|
|
|
|
Tải trọng tập trung|Không tải
Tải trọng tập trung|Tải trọng tập trung
Tải trọng phân bố đều|Không tải
Tải trọng phân bố đều|Tải trọng tập trung
Tải trọng phân bố đều|Tải trọng phân bố đều
Tải trọng phân bố đều|Tải trọng phân bố đều2
Những công thức hay
- Công cụ tính toán góc lượng giác
- Công cụ tính toán ứng suất và chuyển vị của dầm thẳng dài liên tục
- Công cụ tính toán giảm chấn
- Công cụ tính toán lựa chọn vít me
- Công cụ tính toán độ bền cắt của then
- Công cụ tính toán bánh răng
- Tính toán mô men quán tính chính tâm
- Tính toán ứng suất và biến dạng của dầm
- Tính toán tải trọng và Ứng suất tới hạn dầm chịu lực dọc trục
- Chuyển đổi đơn vị lực
- Tính toán lực đẩy của xy lanh khí và thủy lực
- Tính toán khối lượng(vật liệu kim loại, nhựa, gỗ...)
- Công cụ tính toán mô men quán tính chính tâm của Mặt cắt phức hợp
- Công cụ tính toán mô men quán tính khối lượng
- Công cụ tính toán băng tải
















